中荷重用キャスター
ログラン(ウレタン)車輪タイプ
耐油・耐摩耗性に優れた「ログラン車輪シリーズ」
ログラン(ウレタン)車輪タイプ シングルストッパー付旋回金具付
P-WJB型
- 耐油性に優れる
- 耐摩耗性に優れる
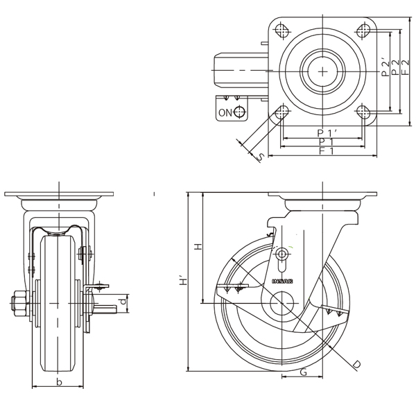
製品写真
サイズ
| 商品記号 | 車輪径 | 取付高 | 金具高 | トップ プレート | 取付穴 ピッチ | 取付穴径 | フォーク幅 | 偏芯 | シャフト径 | 最大荷重 | 最大荷重 | ケース 入数 |
|---|---|---|---|---|---|---|---|---|---|---|---|---|
| D | H' | H | F1/F2 | P1/P2 (P1'/P2') | S | b | G | d | N | kg | 個 | |
| P-100WJB | 100 | 144 | 94 | 95/95 | 73/73 (70/70) | 10.5 | 43 | 35 | 12/M10 | 1764 | 180 | 20 |
| P-150WJB | 150 | 198 | 123 | 120/120 | 93/93 (87/87) | 11.5 | 56 | 45 | 20/M16 | 2940 | 300 | 10 |
図面データ
2D図面データ
| DXF | ||
|---|---|---|
| P-100WJB | ダウンロード | ダウンロード |
| P-150WJB | ダウンロード | ダウンロード |
3D図面データ
3D図面データはありません。











