中荷重用キャスター
ゴム車輪タイプ
抜群の衝撃吸収性&軽い操作性を誇る「ゴム車輪シリーズ」
ゴム車輪タイプ シングルストッパー付旋回金具付
GR-WJB型
- 非汚染性のゴム材料
- マーキング性を考慮
製品写真
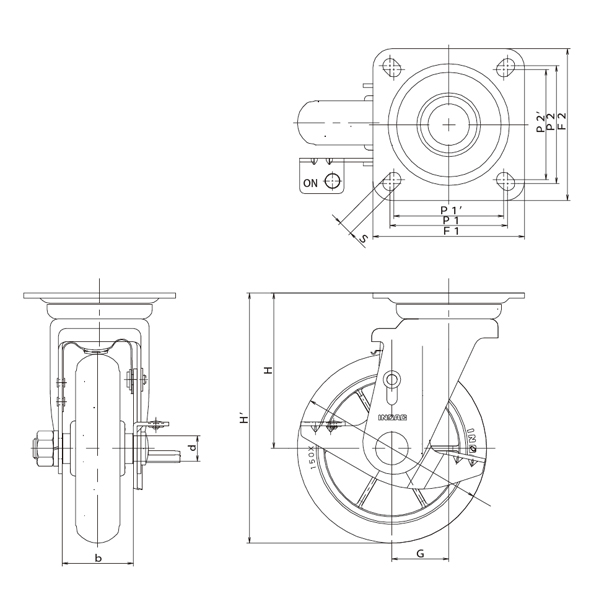
サイズ
| 商品記号 | 車輪径 | 取付高 | 金具高 | トップ プレート | 取付穴 ピッチ | 取付穴径 | フォーク幅 | 偏芯 | シャフト径 | 最大荷重 | 最大荷重 | ケース 入数 |
|---|---|---|---|---|---|---|---|---|---|---|---|---|
| D | H' | H | F1/F2 | P1/P2 (P1'/P2') | S | b | G | d | N | kg | 個 | |
| GR-100WJB | 100 | 144 | 94 | 95/95 | 73/73 (70/70) | 10.5 | 43 | 35 | 12/M10 | 1176 | 120 | 20 |
| GR-130WJB | 130 | 177 | 112 | 105/105 | 82/82 (79/79) | 11.5 | 53 | 40 | 20/M16 | 1764 | 180 | 10 |
| GR-150WJB | 150 | 198 | 123 | 120/120 | 93/93 (87/87) | 11.5 | 56 | 45 | 20/M16 | 1960 | 200 | 10 |










